THE AVIATION SUPERSTORE FOR ALL YOUR AIRCRAFT & PILOT NEEDS | 877-795-2278
Thumbs 1
Thumbs 1

SkyBolt Aloc Stud #5 Flush

$13.65/Each
Quantity
Add to Wishlist
Part# 04-04067
MFR Model# SK294186-1-080

Overview

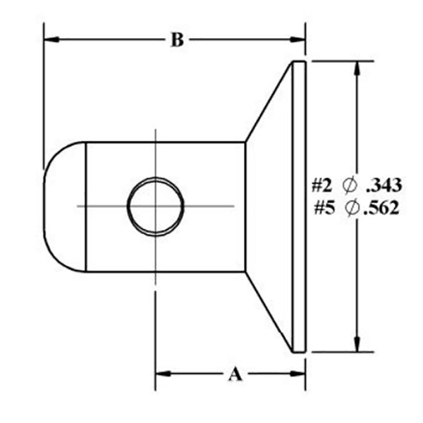
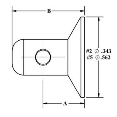
ALoc® Fasteners are common on Beechcraft® airplanes and latches on many cowlings. Some panel applications for #2, #5, and #7 studs may use a wear grommet. Unlike a ZLoc® Fastener, this grommet probably does not require replacement when replacing studs. ALoc® Fasteners are made in various stud blank lengths and this length is indicated by the 1st Dash#. Each length can have up to 10 2nd Dash#s, or grip sizes. The 2nd Dash# indicates the maximum grip range in .010 increments. Note that the ALoc® design has the least grip range of all 1/4 turn fasteners. Skybolt primarily stocks certain sizes in Stainless Steel for replacement purposes only.

Specifications

  • Airloc Steel P/N: 98265-1-080
  • Skybolt Aloc Stainless P/N: SK294186-1-080
  • Type: #5 Flush
  • Grip: .071-.080
  • 'A': 267
  • Length: .500
  • Frequently Purchased With
  • Customers Also Viewed

Reviews

All good but the picture leads you to believe that the pin is included. It is not.

Jackson A Verified Purchase

#5 Flush Stud-Stainless Skybolt

July 5, 2021

Q&A

Please note, Aircraft Spruce Canada's personnel are not certified aircraft mechanics and can only provide general support and ideas, which should not be relied upon or implemented in lieu of consulting an A&P or other qualified technician. Aircraft Spruce Canada assumes no responsibility or liability for any issue or problem which may arise from any repair, modification or other work done from this knowledge base. Any product eligibility information provided here is based on general application guides and we recommend always referring to your specific aircraft parts manual, the parts manufacturer or consulting with a qualified mechanic.

Q: Does the Skybolt ALOC #5 stud come with the pin as seen in the picture?

No, the pin is not included.

  • Did You Mean?
  • Categories