THE AVIATION SUPERSTORE FOR ALL YOUR AIRCRAFT & PILOT NEEDS | 877-795-2278

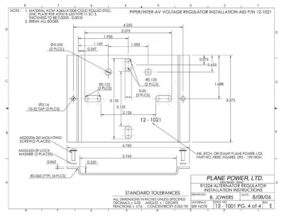
Plane-Power Adapter Plate 12-1021

$195.85/Each
Quantity
Add to Wishlist
Part# 07-03532
MFR Model# 12-1021S

Overview

Below are aircraft that commonly need the 12-1021.

152, A152, 172N, 172P, 172RG, 177RG, 180J, 180K, 182P, 182Q, 182R, T182, 188, A188A, 188A, A188B, 188B, T188C, A188, 207, T207, U206E, U206F, U206G, TU206E, TU206F, TU206G, 207, T207, 210N, 210M, 210R, T210K, T210L, T210M, T210N, T210R, P210N, P210R when OEM regulator was a C611501-0102, C611504-0103 (** Requires purchase of adapter plate, 12-1021) R1224

114B, 114TC (4 Wire Regulators) with OEM Electrodelta VR515G, (**Requires purchase of adapter plate, 12-1021) R1224
  • Frequently Purchased With
  • Customers Also Viewed

Reviews

This adapter plate did not fit well in my 79 TR182. The holes did not line up with the old voltage regulator.

Jeff
December 16, 2017

TOOK SIGNIFICANT MACHINING AND TRIMMING TO MAKE IT FIT THE MOUNTING HOLES ON A CESSNA 182Q FIREWALL

Heavy M
June 26, 2024

Does not line up with either the new plane power voltage regulator or the airplane holes... 172h.

Rich
April 11, 2023

Q&A

Please note, Aircraft Spruce Canada's personnel are not certified aircraft mechanics and can only provide general support and ideas, which should not be relied upon or implemented in lieu of consulting an A&P or other qualified technician. Aircraft Spruce Canada assumes no responsibility or liability for any issue or problem which may arise from any repair, modification or other work done from this knowledge base. Any product eligibility information provided here is based on general application guides and we recommend always referring to your specific aircraft parts manual, the parts manufacturer or consulting with a qualified mechanic.

View in Catalog

View Image View in Catalog
  • Did You Mean?
  • Categories