|
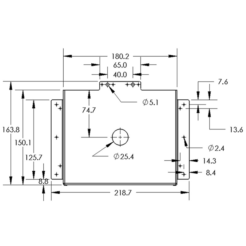
Thermal battery box to protect from radiated or convection heat. Fits the “E” case batteries including ETX680/ETX900/ETX900-VNT/ETX1200. Designed to protect the battery in engine compartment installations from periods of high temperature (up to 1 hour), such as after shutdown, and from radiant heat from hot surfaces like exhaust systems during and after flight. This stainless-steel box has a mirror finish to minimize the effect of radiant heat, and it has a high-performance insulating foam layer between the box and battery to reduce effect of convection heat. The hold-down tab comes with a mounting fixture that can hold a cooling air duct up to 1” in diameter. This battery box was engineered to be strong enough to withstand 30 G of force yet only weighs .49Kg or 1 Lb. 1.2oz.
All batteries have optimal temperature ranges for use in operation. The ETX-Hundred series is rated for 140°F ( 60ºC) or less for optimal longevity and performance of the battery. Typical lead acid batteries are rated to 113ºF or 45ºC. |


Well made. There is no back to it. Highly polished and a heavier gauge of stainless than expected
EarthX Thermal Battery Box
Prompt And Timely shipping
EarthX Thermal Battery Box
Please note, Aircraft Spruce Canada's personnel are not certified aircraft mechanics and can only provide general support and ideas, which should not be relied upon or implemented in lieu of consulting an A&P or other qualified technician. Aircraft Spruce Canada assumes no responsibility or liability for any issue or problem which may arise from any repair, modification or other work done from this knowledge base. Any product eligibility information provided here is based on general application guides and we recommend always referring to your specific aircraft parts manual, the parts manufacturer or consulting with a qualified mechanic.