FREE SHIPPING ON ORDERS OVER $699 (SOME EXCLUSIONS APPLY) | 877-795-2278

Bing Top Screw M5X12 Type 54 & 84 140-518-08

$3.60/Each
Quantity
Add to Wishlist
Part# 07-00401
MFR Model# 140-518-08
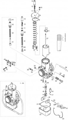
No.Rotax Part NumberDescriptionQty Req. 503 ULQty Req. 582 ULPN
10241-430 HEX. SCREW M5X122207-00401

Overview

  • a base carburetor for air cooled engines with bowden cable choke.
    NOTICE carburetor without calibration.
    from engine S/N
    503 UL: 4,795.201
  • b NOTICE carburetor without calibration.
    from engine S/N
    582 UL mod. 90: 4,656.088
    582 UL mod. 99: starting with serial production
  • c carburetor housing, not available as spare part, use carburetor assy.
  • d jet-needle, see carburetor calibration sheet
  • e idle-jet, see carburetor calibration sheet
  • f needle-jet, see carburetor calibration sheet
  • g main-jet, see carburetor calibration sheet
  • h only necessary on high altitude compensation kit (not available anymore)


Explanations of symbols and statements in part number charts:
  • N = Newly introduced part number
  • s.v. = Still valid. Part was replaced by compatible component and can not be supplied any longer by the producer. Existing stock may be used.
  • AR = As required. This generally refers to shims, hose, wires, and cable. Measure the amount you need before ordering. Many times there will be multiple listings of different lengths with the same part number. Use individual part descriptions to determine the proper length needed.
  • n.a or NLA = No longer available, no replacement from Rotax. Part is no longer available due to incompatibility to current production or unavailability of part.
  • CALL = Please call for price, 800-247-9653

Notes

No.
Status
Part No.
Description
447
503
582
m90
582
m99
618
Price
2
CARBURETOR HOUSING
1c
1c
1c
1c
1c
*
37
JET NEEDLE
1d
1d
1d
1d
1d
*
38
IDLE JET
1e
1e
1e
1e
1e
*
39
JET NEEDLE
1f
1f
1f
1f
1f
*
40
MAIN JET
1g
1g
1g
1g
1g
*

Reference Chart

  • Frequently Purchased With
  • Customers Also Viewed

Reviews

Q&A

Please note, Aircraft Spruce Canada's personnel are not certified aircraft mechanics and can only provide general support and ideas, which should not be relied upon or implemented in lieu of consulting an A&P or other qualified technician. Aircraft Spruce Canada assumes no responsibility or liability for any issue or problem which may arise from any repair, modification or other work done from this knowledge base. Any product eligibility information provided here is based on general application guides and we recommend always referring to your specific aircraft parts manual, the parts manufacturer or consulting with a qualified mechanic.

View in Catalog

View Image View in Catalog
  • Did You Mean?
  • Categories