THE AVIATION SUPERSTORE FOR ALL YOUR AIRCRAFT & PILOT NEEDS | 877-795-2278
Thumbs 1
Thumbs 1

Purolator AN6235 Line Filter Element

From $65.85 to $74.75
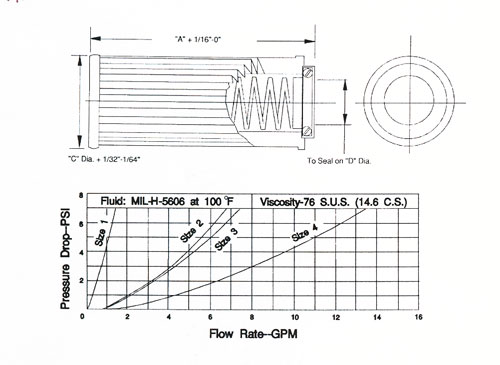
AN No. A (inches) C (inches) D (inches) Part No. Price Buy
AN6235-1A1.937/1.875.859/.813.375/.373
08-07076
$74.75
Quantity
AN6235-3A3.500/3.4381.656/1.610.875/.872
08-07104
$65.85
Quantity
Subtotal $0.00
Add to Wishlist

Overview

  • MIL-F-5504 QUALIFIED
  • QUALIFIED FOR USE IN MS28720 AND AN6234 FILTER
  • ASSEMBLIES.
  • ELEMENT COLLAPSE:150PSID MINIMUM.
  • FILTRARTION:10 MICROMETERS.
  • HYDRAULIC O-RING.
  • MEDIA: MICROPLEAT(c) ELEMENTS (resin impregnated cellulose)
  • BUBBLE TEST 100%


Specifications-3A

  • P/N AN6235-3A Specifications
  • Body Diameter: 1.625 Inches Nominal
  • Body Inside Diameter: 0.891 Inches Nominal
  • Filtration Rating In Microns: 10.0 Nominal
  • Flow Direction: Inside Out
  • Design Type: Nonreusable
  • Body Overall Length: 3.438 Inches Nominal
  • Filtering Media Design: Pleated Single Filtering Media Response
  • Filtering System For Which Designed: Full Flow
  • Special Features: Used On Grumman Aircraft,model A10;with Unthreaded Mountin Hole,0.2656 In. Dia
  • Material: Paper Filtering Medium
  • Material: Metal Container/cartridge
  • Media For Which Designed: Fuel/oil, Hydrocarbon
  • Style Designator: Cylindrical W/ Container (rigid)
  • Frequently Purchased With
  • Customers Also Viewed

Reviews

Quality product, quick shipping. Thank you

Dct A Verified Purchase

AN6235-3A Purolator Cessna Type Element

April 14, 2026

Aint no particles getting through this sucker.

Alaska A Verified Purchase

AN6235-3A Purolator Cessna Type Element

June 3, 2023

Magaero L Verified Purchase

AN6235-1A Purolator Filter

September 6, 2022

👍👍

Afelio S Verified Purchase

AN6235-1A Purolator Filter

January 4, 2022

Delivered quickly and at a fair price.

Patrick W
August 28, 2018

Q&A

Please note, Aircraft Spruce Canada's personnel are not certified aircraft mechanics and can only provide general support and ideas, which should not be relied upon or implemented in lieu of consulting an A&P or other qualified technician. Aircraft Spruce Canada assumes no responsibility or liability for any issue or problem which may arise from any repair, modification or other work done from this knowledge base. Any product eligibility information provided here is based on general application guides and we recommend always referring to your specific aircraft parts manual, the parts manufacturer or consulting with a qualified mechanic.

Q: Is there a shelf life on the AN6235-1A filters?

There is no shelf life specified but it is recommended to have the filter stored in its package and in a dry place.

Q: Other websites list this AN6235-3A filter as having a 5475 day (15 year) shelf life. Can you confirm please?

That is correct. 15 years from cure date.

Q: Does this product is all in new and good condition, manufactured originally?

Yes, the two items listed on this page are in new, manufactured condition.

View in Catalog

View Image View in Catalog
  • Did You Mean?
  • Categories