
(Hover to zoom | Use mouse wheel for +/-)
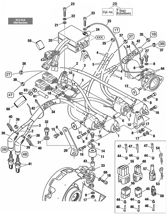
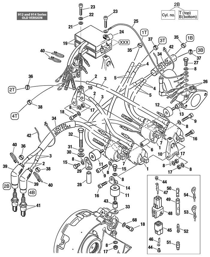
| No. | Rotax Number | Description | Qty Req. 912 UL | Qty Req. 912 ULS | Qty Req. 914 UL | PN | Price | Buy |
|---|---|---|---|---|---|---|---|---|
| 9 | 840-883 | ALLEN SCREW M6X30 | 2 | 2 | 2 | 15-01148 | $1.62 | |
| 14 | 851-260 | IGNITION COIL BRACKET 1 | 1 | 1 | 1 | 15-01528 | $11.50 | |
| 15 | 240-772 | HEX. SCREW M6x10 | 2 | 2 | 2 | 15-09740 | $2.68 | |
| 18 | 241-237 | ALLEN SCREW M6X16 | 3 | 3 | 3 | 15-00169 | $0.76 | |
| 21 | 827-800 | WASHER A 5.5 | 1 | 1 | 1 | 15-00860 | $0.49 | |
| 22 | 945-830 | LOCK WASHER A5 | 1 | 1 | 1 | 07-00435 | $3.35 | |
| 24 | 851-118 | CABLE CLAMP 11.3/M5 | 1 | 1 | 1 | 15-01514 | $7.75 | |
| 25 | 965-788 | MASS CABLE ASSEMBLY | 1 | 1 | 1 | 15-03906 | $13.65 | |
| 26 | 965-781 | MASS CABLE ASSEMBLY | 2 | 2 | 15-03902 | $51.75 | ||
| 27 | 241-186 | HEX.SCREW M6X16 | 1 | 2 | 1 | 15-00164 | $0.49 | |
| 36 | 860-742 | MARKING SLEEVE 2 | 2 | 2 | 2 | 15-01733 | $1.05 | |
| 40 | 866-710 | CLAMP 142X2.5 MM | 8 | 8 | 8 | 15-01869 | $1.42 | |
| 42 | 251-920 | CLAMP 279X3.6 MM | 2 | 2 | 2 | 15-00268 | $2.24 | |
| 49 | 964-072 | INSULATION SHEATH | AR | AR | 15-03812 | $2.22 | ||
| 51 | 964-077 | INSULATION SHEATH | AR | AR | 15-03814 | $2.41 | ||
| 55 | 265-269 | CONNECTOR HOUSING 6-POLE | AR | AR | AR | 15-00381 | $17.50 | |
| 58 | 265-207 | CONNECTOR HOUSING 1-POLE | AR | AR | AR | 15-00372 | $10.50 | |
| 62 | 960-010 | SHRINKABLE HOSE IMPRINTED A | 1 | 1 | 1 | 15-03619 | $9.50 | |
| 63 | 960-015 | SHRINKABLE HOSE IMPRINTED B | 1 | 1 | 1 | 15-03620 | $9.50 | |
| 64 | 965-784 | MASS CABLE ASSEMBLY | 2m | 2m | 2m | 15-03904 | $23.50 | |
| 66 | 260-135 | DUMMY PLUG | 1m | 1m | 1m | 15-00290 | $1.78 |
- Items not illustrated
Explanations of symbols and statements in part number charts:
![]() |
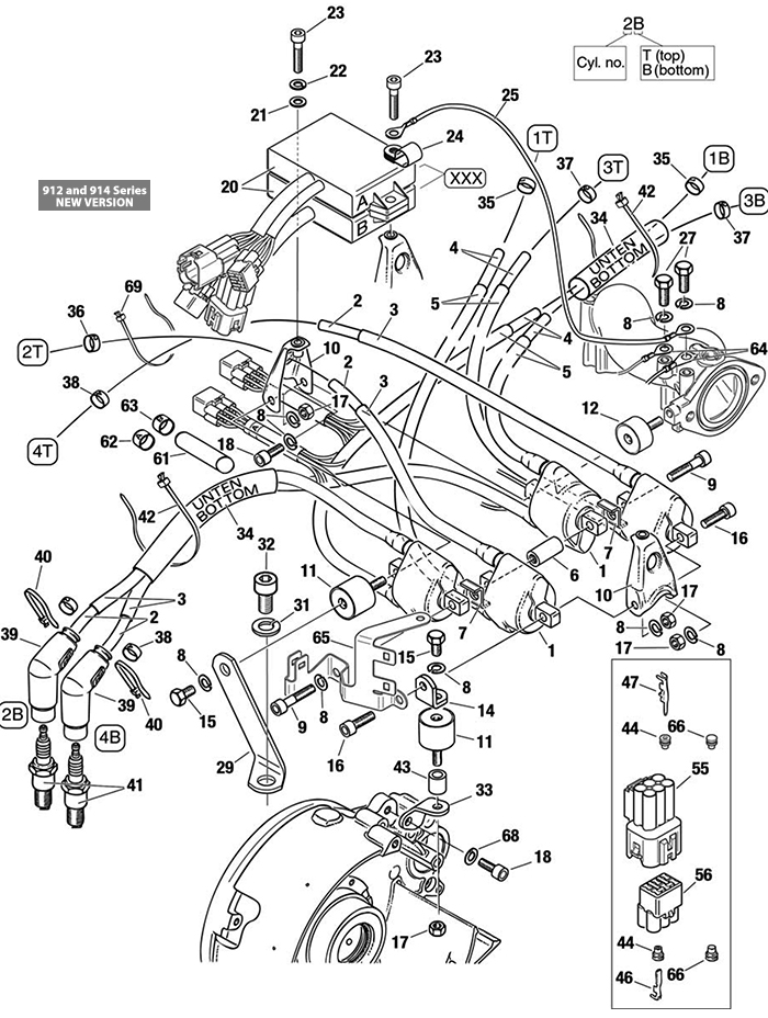
No. | Status | Part No. | Description | 912 UL | 914 UL | Price |
4 | 865-710 | IGNITION CABLE 7 MM | AR c | AR c | ||
5 | 860-990 | PROTECTION HOSE 8x1 | AR d | AR d | ||
12 | 865-710 | IGNITION CABLE 7 MM | 1i | 1i | ||
20 | 966-729 | SMD-ELECTRONIC MODULE | 2o | 2o | * | |
41 | 297-940 | SPARK PLUG 12MM/Torque 180 in.lb.8 | * | |||
41 | 881-330 | SPARK PLUG 12MM/Torque 180 in.lb.8 | 8 | * | ||
59 | - | SHRINK TUBE 20 MM | - | |||
60 | - | SHRINK TUBE 20 MM | 1k | - | ||
61 | n.a. | - | PROTECTION HOSE 60 MM | 2 | 2 | - |
64 | 965-782 | MASS CABLE ASSEMBLY | 2 | 2 | NLA | |
68 | s.v. | 945-751 | LOCK WASHER A6 | 1 | 1 | |
- | N | 964-090 | EASY START UNLOCK CABLE ASSY. | 1 | - |
good
Bing Lock Washer A5 With Screw Only 5M 140-566-04
Please note, Aircraft Spruce Canada's personnel are not certified aircraft mechanics and can only provide general support and ideas, which should not be relied upon or implemented in lieu of consulting an A&P or other qualified technician. Aircraft Spruce Canada assumes no responsibility or liability for any issue or problem which may arise from any repair, modification or other work done from this knowledge base. Any product eligibility information provided here is based on general application guides and we recommend always referring to your specific aircraft parts manual, the parts manufacturer or consulting with a qualified mechanic.