
(Hover to zoom | Use mouse wheel for +/-)
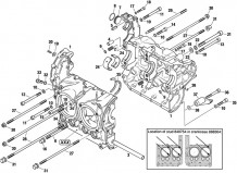
| No. | Rotax Number | Description | Qty Req. 912 UL | Qty Req. 912 ULS | Qty Req. 914 UL | PN | Price | Buy |
|---|---|---|---|---|---|---|---|---|
| 8 | 430-061 | O-RING 26.7x1.8 | 1b | 1b | 1b | 15-08744 | $5.70 | |
| 9 | 850-902 | O-RING 9X2 | 2 | 2 | 2 | 15-01484 | $10.50 | |
| 12 | 840-091 | HEX. COLLAR SCREW M8X140 | 1 | 1 | 1 | 15-01097 | $15.50 | |
| 14 | 940-071 | HEX. SCREW M8X45 | 2 | 2 | 2 | 15-03167 | $6.50 | |
| 17 | 945-751 | LOCK WASHER A6 | 9 | 9 | 9 | 15-09799 | $0.96 | |
| 19 | 227-280 | THRUST WASHER | 1 | 1 | 1 | 15-00042 | $8.99 | |
| 29 | 431-411 | GASKET | ARh | ARh | ARh | 15-00538 | $6.50 | |
| 30 | 842-610 | HEX. NUT M8 | 8 | 8 | 8 | 15-01265 | $4.90 | |
| 39 | 926-401 | WASHER 8.4/15/1 | AR | 15-02981 | $3.80 |
- Items not illustrated
Explanations of symbols and statements in part number charts:
![]() |
No. | Status | Part No. | Description | 912 UL | 912 ULS | 914 UL |
2 | 842-655 | M8x20 | 2 | 2 | 2 | |
11 | 440-217 | ALLEN SCREW M8X80/TORQUE 22 FT.LB. | 2 | 2 | 2 | |
31 | s.v. | 842-471 | COLLAR CAP NUT M8/TORQUE 90 IN. LB. +120° | 1f | 1f | 1f |
31 | N | 842-476 | COLLAR CAP NUT M8/TORQUE 90 IN. LB. +120° | 8k | 8k | 8k |
38 | 8 | xxx-xxx | SEE CHAPT. 78-10-00 FIG. 3 | 8k | 8k | 8k |
41 | 300091202 | ENGINE BLOCK | 1 | |||
41 | 300091401 | ENGINE BLOCK | 1 | 1 |
Please note, Aircraft Spruce Canada's personnel are not certified aircraft mechanics and can only provide general support and ideas, which should not be relied upon or implemented in lieu of consulting an A&P or other qualified technician. Aircraft Spruce Canada assumes no responsibility or liability for any issue or problem which may arise from any repair, modification or other work done from this knowledge base. Any product eligibility information provided here is based on general application guides and we recommend always referring to your specific aircraft parts manual, the parts manufacturer or consulting with a qualified mechanic.