
(Hover to zoom | Use mouse wheel for +/-)
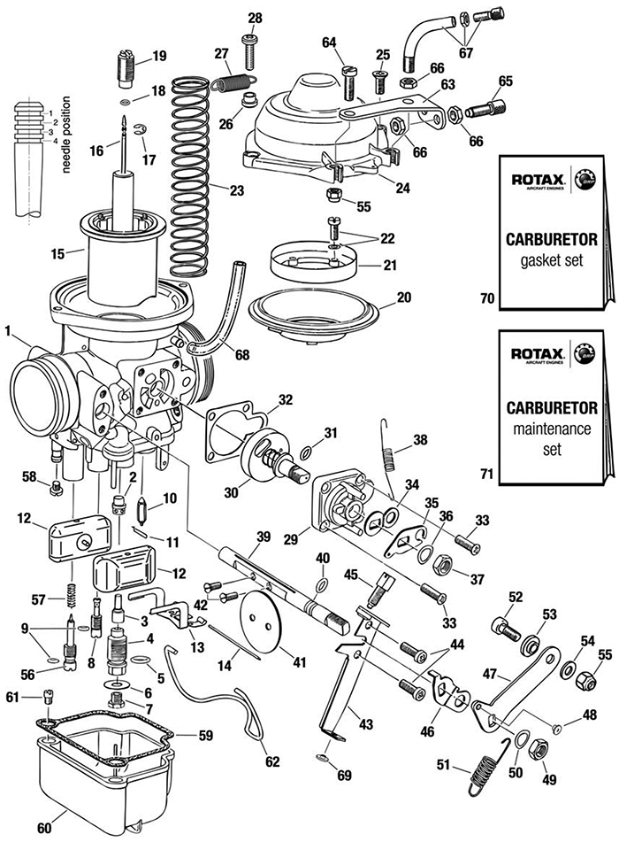
| No. | Rotax Number | Description | Qty 912 UL | Qty 912 ULS | PN | Price | Buy |
|---|---|---|---|---|---|---|---|
| 2 | 961-200 | DIFFUSER | 1 | 15-03700 | $34.50 | ||
| 2 | 961-202 | DIFFUSER | 1 | 15-03701 | $42.90 | ||
| 3 | 261-607 | NEEDLE JET 2.72 | 1 | 15-00328 | $29.60 | ||
| 3 | 261-608 | NEEDLE JET 2.70 | 1 | 15-00329 | $29.60 | ||
| 4 | 963-130 | MIXING TUBE | 1 | 1 | 07-00447 | $39.80 | |
| 5 | 430-800 | O-RING 8X2 | 1 | 1 | 15-00536 | $8.50 | |
| 6 | 827-160 | SHIM | 1 | 1 | 15-00830 | $2.56 | |
| 7 | 268-985 | MAIN JET 160 | 1i | 05-02003 | $25.75 | ||
| 7 | 268-984 | MAIN JET 155 | (1)f | 1 | 10-01598 | $23.50 | |
| 7 | 268-996 | MAIN JET 158 | 1 | 05-02011 | $25.75 | ||
| 8 | 963-143 | IDLE JET 35 | 1 | 1 | 05-02019 | $71.75 | |
| 9 | 831-713 | O-RING 3.2X1.8 | 2g | 2g | 15-00929 | $8.50 | |
| 10 | 261-708 | FLOAT NEEDLE VALVE W. VITON TIP | 1g | 1g | 15-00344 | $93.75 | |
| 13 | 861-192 | FLOAT BRACKET | 1 | 1 | 15-01763 | $33.65 | |
| 14 | 929-702 | PIN | 1 | 1 | 15-03016 | $7.75 | |
| 15 | 961-230 | CARBURETOR PISTON | 1 | 1 | 15-03707 | $336.00 | |
| 19 | 961-293 | FIXATION SCREW | 1e | 1e | 15-03721 | $49.50 | |
| 21 | 961-240 | RETAINING RING | 1 | 1 | 15-03708 | $62.75 | |
| 22 | 841-210 | COMBINED SCREW M4X12 | 4 | 4 | 15-01164 | $3.45 | |
| 23 | 938-365 | THROTTLE VALVE SPRING | 1 | 1 | 15-03131 | $31.99 | |
| 24 | 961-250 | CHAMBER TOP | 1 | 1 | 15-03709 | $246.95 | |
| 25 | 841-341 | COUNTERSUNK SCREW M5x12 | 1 | 1 | 15-09633 | $5.70 | |
| 26 | 847-910 | DISTANCE SLEEVE | 1 | 1 | 15-01387 | $25.75 | |
| 27 | 838-242 | SPRING | 1 | 1 | 15-01093 | $22.65 | |
| 29 | 961-280 | CHOKE HOUSING | 1 | 1 | 15-03718 | $83.85 | |
| 30 | 961-273 | CHOKE VALVE ASSEMBLY 1/3 | 1a,g | 1a,g | 15-03175 | $2.28 | |
| 31 | 950-420 | O-RING 5X1.5 | 1 | 1 | 15-03401 | $8.60 | |
| 32 | 950-030 | GASKET | 1 | 1 | 15-03382 | $8.90 | |
| 33 | 841-360 | PHILLIPS HEAD SCREW M4X14 | 4 | 4 | 15-01174 | $3.35 | |
| 35 | 848-245 | CHOKE LEVER OUTSIDE | 1 | 1 | 15-01404 | $6.80 | |
| 36 | 845-035 | SPRING WASHER 8.3/13.6/0.4 | 2 | 2 | 15-01288 | $26.55 | |
| 37 | 942-290 | HEX.NUT M8X1 / TORQUE: 6-7 NM / 55-62 IN.LB. | 2 | 2 | 15-03299 | $5.35 | |
| 39 | 963-992 | THROTTLE SHAFT | 1 | 1 | 15-03801 | $56.95 | |
| 40 | 950-020 | O-RING 6X1.9 | 1 | 1 | 15-03381 | $9.50 | |
| 41 | 963-666 | THROTTLE VALVE | 1 | 1 | 15-03773 | $37.50 | |
| 42 | 941-200 | SLOTTED HEAD SCREW M3X6 | 2 | 2 | 15-03249 | $3.60 | |
| 43 | 961-262 | CABLE SUPPORT 1/3 | 1a,j | 1a,j | 15-03711 | $44.50 | |
| 43 | 961-267 | CABLE SUPPORT 2/4 | 1b,j | 1b,j | 15-03713 | $44.50 | |
| 44 | 240-357 | OVAL HEAD SCREW M4x10 | 2 | 2 | 15-08720 | $3.35 | |
| 45 | 963-162 | THROTTLE VALVE STOP SCREW | 1 | 1 | 15-03751 | $15.70 | |
| 46 | 848-232 | STOP LEVER 2/4 | 1b | 1b | 15-01399 | $18.50 | |
| 46 | 848-230 | STOP LEVER 1/3 | 1a | 1a | 15-01398 | $18.50 | |
| 47-48 | 963-026 | THROTTLE VALVE LEVER 1/3 | 1a,g | 1a,g | 15-03736 | $90.75 | |
| 47-48 | 963-021 | THROTTLE VALVE LEVER 2/4 | 1b,g | 1b,g | 15-03734 | $90.75 | |
| 48 | 963-015 | SLEEVE | 1 | 1 | 15-03732 | $8.50 | |
| 52 | 241-847 | ALLEN SCREW M5X12 | 1 | 1 | 15-00194 | $26.85 | |
| 53 | 847-740 | GRADUATED SLEEVE | 1 | 1 | 15-01358 | $49.50 | |
| 54 | 827-800 | WASHER A 5.5 | 1 | 1 | 15-00860 | $0.49 | |
| 55 | 842-030 | LOCK NUT M5 | 2 | 2 | 15-01239 | $4.50 | |
| 56 | 961-222 | IDLE MIXTURE SCREW | 1 | 1 | 15-03706 | $69.85 | |
| 57 | 239-463 | COMPRESSION SPRING | 1g | 1g | 15-00101 | $3.35 | |
| 58 | 941-740 | SLOTTED HEAD SCREW M3.5X5 | 1 | 1 | 15-03276 | $3.35 | |
| 61 | 268-758 | JET 85 | 1 | 1 | 15-00393 | $30.50 | |
| 61 | 268-762 | JET 105 | (1)d | (1)d | 15-00395 | $30.50 | |
| 62 | 963-180 | SPRING CLIP | 1 | 1 | 07-00424 | $24.50 | |
| 65 | 241-440 | SLOTTED HEAD SCREW M5x16 | 1 | 1 | 07-00406 | $13.50 | |
| 67 | 861-640 | BENT TUBE ASSEMBLY | 1 | 1 | 15-05010 | $83.85 | |
| 68 | 256-035 | AIR VENT LINE 120 MM | 1 | 1 | 07-00437 | $31.75 | |
| 69 | 963-010 | SLEEVE | 1 | 1 | 15-03731 | $8.85 |
- Items not illustrated
Explanations of symbols and statements in part number charts:
![]() |
No. | Status | Part No. | Description | 912 UL | 912 ULS | Price |
2 1 | - | CARBURETOR HOUSING | 1c | 1c | NLA | |
50 | 845-035 | SPRING WASHER 8.3/13.6/0.4 | 2 | 2 | * | |
63 | 851-071 | SUPPORT 1/3 | 1a | 1a | * | |
63 | 851-073 | SUPPORT 2/4 | 1b | 1b | * |
They make our ship go fast. Now we are strong. We will get respect.
Bing Main Jet 160 44-051/160
The product that you provided was not them same as the OEM. It will work for my application, but it doesn’t match the angle or size. Plus, although being slightly cheaper than others offered, the price was outrageous for a common aftermarket part. Keep in mind you did ask.
Bing Bent Tube Assembly 55-135-102-01
The part was available for shipment from California and arrived by US Mail 4 days later.
Bing Main Jet 158 44-051/158
Not sure why these tubes are so expensive but they do a great job and seem to be good quality.
Bing Plastic Air Vent Tube 280MM 80-697-00
Not sure why these tubes are so expensive but they really look nice and do the required job.
Bing Plastic Air Vent Tube 280MM 80-697-00
As listed
Bing Main Jet 155 44-051/155
Bing Main Jet 158 44-051/158
Did what I needed and it worked
Bing Main Jet 158 44-051/158
Exactly what I need and super fast shipping.
Bing Stabilizer Spring 160-394-02
Bing Fixation Screw 50-273-01
Please note, Aircraft Spruce Canada's personnel are not certified aircraft mechanics and can only provide general support and ideas, which should not be relied upon or implemented in lieu of consulting an A&P or other qualified technician. Aircraft Spruce Canada assumes no responsibility or liability for any issue or problem which may arise from any repair, modification or other work done from this knowledge base. Any product eligibility information provided here is based on general application guides and we recommend always referring to your specific aircraft parts manual, the parts manufacturer or consulting with a qualified mechanic.