THE AVIATION SUPERSTORE FOR ALL YOUR AIRCRAFT & PILOT NEEDS | 877-795-2278
Thumbs 1
Thumbs 1

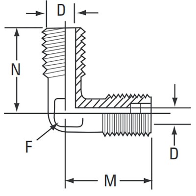
1569 Series Male NPT Nylon Compression Elbow

From $4.35 to $8.95
Tube O.D. Male
Pipe Thread
OEM P/N M N D D1 Across Flats(F) P/N Price Buy
1/41/81569x4G0.810.810.220.253/8
12-05475
$5.35
Quantity
1/41/41569x4x4G0.811.020.220.283/8
12-05476
$4.35
Quantity
3/81/41569x6G0.941.030.300.3137/64
12-05477
$8.95
Quantity
3/83/81569x6x6G0.941.090.340.389/16
12-05478
$5.40
Quantity
Subtotal $0.00
Add to Wishlist

Overview

1569 Series Male NPT Nylon Compression Elbow.

Specifications

  • Connection Type A x B: Tube x Male NPT
  • Material: Nylon
  • Specifications: SAE
  • Style: Gripper Style Nut
  • Type: Compression Elbow
  • Working Pressure: 220 psi
  • Frequently Purchased With
  • Customers Also Viewed
  • Related Items

Reviews

product supplied as described, good quality

Pure G Verified Purchase

1/4 Tube, 1/4 Male NPT Nylon 90 Degree Compression Connector

February 4, 2026

Q&A

Please note, Aircraft Spruce Canada's personnel are not certified aircraft mechanics and can only provide general support and ideas, which should not be relied upon or implemented in lieu of consulting an A&P or other qualified technician. Aircraft Spruce Canada assumes no responsibility or liability for any issue or problem which may arise from any repair, modification or other work done from this knowledge base. Any product eligibility information provided here is based on general application guides and we recommend always referring to your specific aircraft parts manual, the parts manufacturer or consulting with a qualified mechanic.

View in Catalog

View Image View in Catalog
  • Did You Mean?
  • Categories