
(Hover to zoom | Use mouse wheel for +/-)
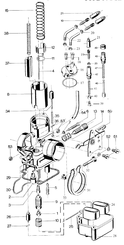
| No. | Part No. | Description | Price | Buy |
|---|---|---|---|---|
| 2 | 07-00442 | Atomizer | $50.70 | |
| 3 | 07-00443 | Needle Jet | $29.60 | |
| 4 | 05-01994 | Jet Needle | $30.50 | |
| 5 | 963-140 | Idler Jet | $71.75 | |
| 6 | 963-155 | Air Screw | $27.50 | |
| 8 | 07-00446 | Piston | $140.75 | |
| 9 | 07-00447 | Jet Stock | $39.80 | |
| 10 | 261-625 | Screen | $21.50 | |
| 13 | 963-160 | Mix Screw | $19.85 | |
| 14 | 938-640 | Spring | $6.80 | |
| 16 | 07-00451 | Cover | $46.65 | |
| 18 | 241-430 | Screw | $3.65 | |
| 21 | 260-370 | Grommet | $6.80 | |
| 28 | 07-00454 | Bowl | $93.75 | |
| 30 | 963-180 | Spring Cup | $24.50 | |
| 39 | 963-740 | Piston | $20.50 | |
| 40 | 268-850 | Sleeve | $8.50 | |
| 41 | 661-050 | Spring | $4.35 | |
| 42 | 963-750 | Housing | $56.75 | |
| 46 | 268-847 | Piston | $47.60 | |
| 48 | 261-770 | Housing | $207.95 | |
| 50 | 07-00455 | Lever | $56.75 | |
| 53 | 261-200 | Nut | $3.35 | |
| 54 | 256-033 | Vent Line | $31.75 |
| Replacement Parts for Bing Type 84 Carburetor |
Please note, Aircraft Spruce Canada's personnel are not certified aircraft mechanics and can only provide general support and ideas, which should not be relied upon or implemented in lieu of consulting an A&P or other qualified technician. Aircraft Spruce Canada assumes no responsibility or liability for any issue or problem which may arise from any repair, modification or other work done from this knowledge base. Any product eligibility information provided here is based on general application guides and we recommend always referring to your specific aircraft parts manual, the parts manufacturer or consulting with a qualified mechanic.