
(Hover to zoom | Use mouse wheel for +/-)
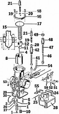
| No. | Rotax Reference No. | Description | Part Number | Price | Buy |
|---|---|---|---|---|---|
| 1 | 268-978-998 | Main Jet | 07-00368 | $34.50 | |
| 2 | 251-554 | Atomizer | 07-00369 | $31.99 | |
| 3 | 963-691-699 | Jet Needle | 07-00371 | $33.55 | |
| 4 | 963-711-719 | Jet Needle | 07-00373 | $28.90 | |
| 5 | 963-140-147 | Idler Jet | 07-00385 | $71.75 | |
| 6 | 963-155 | Air Screw | 07-00386 | $27.50 | |
| 10 | 261-625 | Sieve Sleeve | 07-00390 | $21.50 | |
| 12 | 827-347 | New Style Spring Cup | 07-00394 | $22.65 | |
| 16 | 963-720 | Cover Plate | 07-00398 | $67.75 | |
| 28 | 261-010 | Bowl Kit (bowl, 24-27, 55) | 07-00312 | $351.00 | |
| 30 | 963-180 | Bowl Clip | 07-00424 | $24.50 | |
| 39 | 963-740 | Piston | 07-00425 | $20.50 | |
| 42 | 963-750 | Housing | 07-00428 | $56.75 | |
| 46 | 268-847 | Piston | 07-00429 | $47.60 | |
| 48 | 261-770 | Housing | 07-00431 | $207.95 | |
| 50 | 261-755 | Choke Lever | 07-00433 | $56.75 | |
| 54 | 256-035 | Vent Tube | 07-00437 | $31.75 | |
| 56 | 831-715 | Jet Needle O Ring | 07-00439 | $4.35 |
| Replacement Parts for Bing Type 54 Carburetor. Commonly used on the Rotax engines. |
good
Bing Start Piston Type 54 & 84 22-956-03
good
Bing Choke Lever 58-986
Not sure why these tubes are so expensive but they do a great job and seem to be good quality.
Bing Plastic Air Vent Tube 280MM 80-697-00
Not sure why these tubes are so expensive but they really look nice and do the required job.
Bing Plastic Air Vent Tube 280MM 80-697-00
Quick shipment and perfect fit!!!
Bing 54 Float Kit Bing Floats 35-913-201
Bing Main Jet Sieve Screen 57-706-06
Bing O-Ring For Jet Needle 25X15 165-732-00
Bing Spring Retainer Cup is overpriced for such a small plastic cup, but nonetheless essential for the proper operation of the Bing 54. I had to fine tune the part so it wouldnt bind up on the metal guides.
Bing Spring Retainer Cup Type 54 126-516-00
Please note, Aircraft Spruce Canada's personnel are not certified aircraft mechanics and can only provide general support and ideas, which should not be relied upon or implemented in lieu of consulting an A&P or other qualified technician. Aircraft Spruce Canada assumes no responsibility or liability for any issue or problem which may arise from any repair, modification or other work done from this knowledge base. Any product eligibility information provided here is based on general application guides and we recommend always referring to your specific aircraft parts manual, the parts manufacturer or consulting with a qualified mechanic.
These are priced and sold individually, one float.
Yes, please see part # 15-03801.
Part # 07-25509 are the only floats we carry for Bing carbs.