SAME DAY SHIPPING ON ORDERS PLACED BY 2 PM | 877-795-2278
Thumbs 1
Thumbs 1

Concorde RG-380E/44Ls Aircraft Battery

$6653.00/Each
Quantity
Add to Wishlist
Part# 11-11628
MFR Model# RG-380E/44LS

Overview

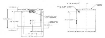
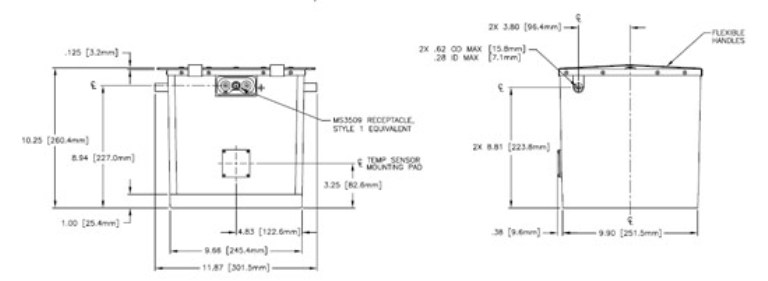
Concorde recombinant gas (RG® Series) valve regulated lead acid (VRLA) batteries for engine starting, emergency / essential power, and standby power applications are constructed with cutting edge Absorbed Glass Mat (AGM) technology. Concorde’s proprietary PolyGuard™ Microporous Polyethylene Separator shields the positive plates against shorting, shock or vibration. RG-380E/40LS is a fireproof stainless container with side vent tubes and stainless cover with fabric lifting straps and hold down bar. Stainless temperature sensor mounting pad in front.
  • Certified nickel cadmium battery replacement
  • Superior starting power
  • Reliable essential power in the event of a generator failure
  • Low impedance design
  • Maintenance free
  • Constructed with non removable vent valves - no addition of electrolyte or water required
  • Aerobatic: Non spillable at any altitude or attitude
  • Factory tested to assure airworthiness

Specifications

  • Primary Aircraft Purpose: Turbine Starting Aircraft Battery
  • Voltage: 24v
  • Rated Capacity C1 = 1 hr. rate in ampere hours: 42.00
  • Max Weight: 91.00 lb / 41.3 kg
  • Frequently Purchased With
  • Customers Also Viewed

Reviews

Q&A

Please note, Aircraft Spruce Canada's personnel are not certified aircraft mechanics and can only provide general support and ideas, which should not be relied upon or implemented in lieu of consulting an A&P or other qualified technician. Aircraft Spruce Canada assumes no responsibility or liability for any issue or problem which may arise from any repair, modification or other work done from this knowledge base. Any product eligibility information provided here is based on general application guides and we recommend always referring to your specific aircraft parts manual, the parts manufacturer or consulting with a qualified mechanic.

View in Catalog

View Image View in Catalog
  • Did You Mean?
  • Categories