THE AVIATION SUPERSTORE FOR ALL YOUR AIRCRAFT & PILOT NEEDS | 877-795-2278
Thumbs 1
Thumbs 1

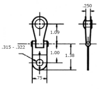
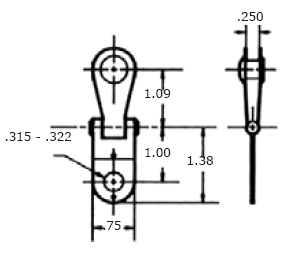
Ancra International Shackle Seat Belt Straight - 41713-10

$50.90/Each
Quantity
Add to Wishlist
Part# 05-17317
MFR Model# 41713-10

Overview

Seat Belt Shackles
  • High strength, low profile design
  • Made especially for today's lightweight seats
  • Stainless steel, cad plated
  • Meets the load requirements of NAS 809 Paragraph 4.1.3

Reviews

Q&A

Please note, Aircraft Spruce Canada's personnel are not certified aircraft mechanics and can only provide general support and ideas, which should not be relied upon or implemented in lieu of consulting an A&P or other qualified technician. Aircraft Spruce Canada assumes no responsibility or liability for any issue or problem which may arise from any repair, modification or other work done from this knowledge base. Any product eligibility information provided here is based on general application guides and we recommend always referring to your specific aircraft parts manual, the parts manufacturer or consulting with a qualified mechanic.