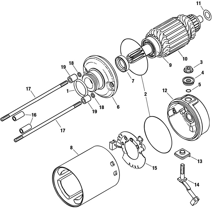
| No. | Part Number | Description | Qty Req | PN | 
|---|---|---|---|---|
| 10 | 260-810 | CONNECTOR SHEATH | 1 | 15-00313 | 
| - Items not illustrated 
 Explanations of symbols and statements in part number charts: 
  | 
| No. | Status | Part No. | Description | 447 | 503 | 582 m90 | 582 m99 | 618 | Price | 
| 1 | SUPPORT | 1 | 1 | 1 | 1 | 1 | * | ||
| 5 | ROTOR ASSY., | 1 | 1 | 1 | 1 | 1 | * | ||
| 15 | SPRING | 1a | 1a | 1a | 1a | 1a | NLA | ||
| 16 | BRUSH | 1a | 1a | 1a | 1a | 1a | NLA | 
 
Please note, Aircraft Spruce Canada's personnel are not certified aircraft mechanics and can only provide general support and ideas, which should not be relied upon or implemented in lieu of consulting an A&P or other qualified technician. Aircraft Spruce Canada assumes no responsibility or liability for any issue or problem which may arise from any repair, modification or other work done from this knowledge base. Any product eligibility information provided here is based on general application guides and we recommend always referring to your specific aircraft parts manual, the parts manufacturer or consulting with a qualified mechanic.