THE AVIATION SUPERSTORE FOR ALL YOUR AIRCRAFT & PILOT NEEDS | 877-795-2278

Cleveland Repair Kit 199-52

$150.95/Each
Quantity
Add to Wishlist
Part# 06-00834
MFR Model# 199-594

Overview

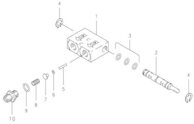
Cleveland Repair Kit 199-52. Seal Kit includes items 3, 6, 9.

In The Box

  • No. 3 - 101-00500 O-Ring (MS28775-010) Qty. 3
  • No. 6 - 101-50353 O-Ring, Poppet (2-006-N507-90) Qty. 2
  • No. 9 - 101-00700 O-Ring, Fitting (MS28775-012) Qty. 2
  • Frequently Purchased With
  • Customers Also Viewed

Reviews

Q&A

Please note, Aircraft Spruce Canada's personnel are not certified aircraft mechanics and can only provide general support and ideas, which should not be relied upon or implemented in lieu of consulting an A&P or other qualified technician. Aircraft Spruce Canada assumes no responsibility or liability for any issue or problem which may arise from any repair, modification or other work done from this knowledge base. Any product eligibility information provided here is based on general application guides and we recommend always referring to your specific aircraft parts manual, the parts manufacturer or consulting with a qualified mechanic.

View in Catalog

View Image View in Catalog