THE AVIATION SUPERSTORE FOR ALL YOUR AIRCRAFT & PILOT NEEDS | 877-795-2278
Thumbs 1
Thumbs 1

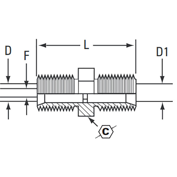
1562 Series Nylon Gripper Style Nut Compression Union Connector

From $4.35 to $6.70
Tube O.D. OEM P/N: L F C P/N Price Buy
1/41562x4G0.980.235/8
12-05460
$4.35
Quantity
3/81562x61.230.3013/16
12-05464
$6.70
Quantity
Subtotal $0.00
Add to Wishlist

Overview

1562 Series Nylon Gripper Style Nut Compression Connector.

Specifications

  • Application: For cold and hot water applications
  • Connection Type A x B: Tube x Tube
  • Material: Nylon
  • Specification: FDA, NSF
  • Style: Gripper Style Nut
  • Temperature: -40°F - 200°F
  • Type: Compression Union
  • Working Pressure: 220 psi
  • Frequently Purchased With
  • Customers Also Viewed
  • Related Items

Reviews

Q&A

Please note, Aircraft Spruce Canada's personnel are not certified aircraft mechanics and can only provide general support and ideas, which should not be relied upon or implemented in lieu of consulting an A&P or other qualified technician. Aircraft Spruce Canada assumes no responsibility or liability for any issue or problem which may arise from any repair, modification or other work done from this knowledge base. Any product eligibility information provided here is based on general application guides and we recommend always referring to your specific aircraft parts manual, the parts manufacturer or consulting with a qualified mechanic.

View in Catalog

View Image View in Catalog
  • Did You Mean?
  • Categories