FREE SHIPPING ON ORDERS OVER $699 (SOME EXCLUSIONS APPLY) | 877-795-2278
Thumbs 1
Thumbs 1
Thumbs 1
Thumbs 1
Thumbs 1
Thumbs 1
Thumbs 1
+3 More

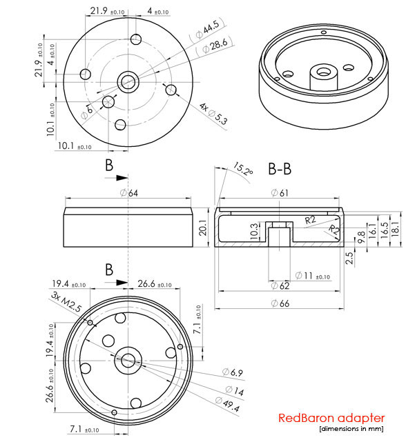
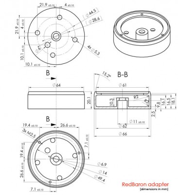
Aveo Red Baron Mounting Adapter - 2.75 Inch

$387.00/Each
Quantity
Add to Wishlist
Part# 11-10631
MFR Model# AVE-LARBUHS-01B

Overview

If you are replacing a Whelen anticollision light, this adapter by Aveo is designed to match up perfectly with your existing mounting site.

Adapter works for following Whelen models:
  • A450
  • A470A
  • 7108001
  • 7108006
  • 7108051
  • 7105500
  • 7105501
  • 9052001
  • 9052051


For Experimental Use Only
  • Frequently Purchased With
  • Customers Also Viewed
  • Related Items

Reviews

This worked great for my application. I used it to mount an Aveo Red Baron Galactica to replace a Whelen 470. It made for a much easier install and light is still low profile. However, the threads for the mounting screw socket were faulty. I had to run an M5 x .8 tap through the threads in order to allow the mounting screw to feed properly.

John M Verified Purchase

Aveo Redbaron Mounting Adapter Ave-Larbuhs-01B 2.75In

May 23, 2022

Q&A

Please note, Aircraft Spruce Canada's personnel are not certified aircraft mechanics and can only provide general support and ideas, which should not be relied upon or implemented in lieu of consulting an A&P or other qualified technician. Aircraft Spruce Canada assumes no responsibility or liability for any issue or problem which may arise from any repair, modification or other work done from this knowledge base. Any product eligibility information provided here is based on general application guides and we recommend always referring to your specific aircraft parts manual, the parts manufacturer or consulting with a qualified mechanic.

Q: I have a HRCFA series Whelen anti-collision strobe with the A440 adapter installed on my Bonanza. To install the Aveo Galactica Red Baron, will the 3.75 adapter work, or is there other mods that will have to be completed to mount the Red Baron?

The A440 is not listed as a compatible adapter for the Red Baron. Please check the dimensions listed on the drawing tab to ensure compatibility.

View in Catalog

View Image View in Catalog