THE AVIATION SUPERSTORE FOR ALL YOUR AIRCRAFT & PILOT NEEDS | 877-795-2278
Thumbs 1
Thumbs 1

ROTAX WOODRUFF KEY 4X5 246571

$2.55/Each
Quantity
Add to Wishlist
Part# 15-08726
MFR Model# 246-571
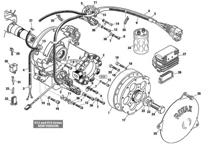
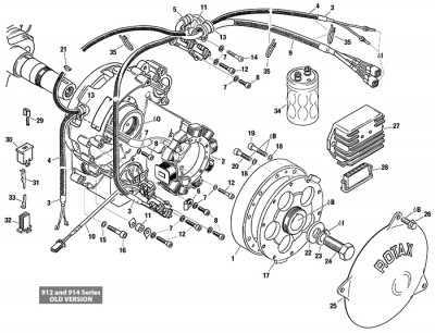
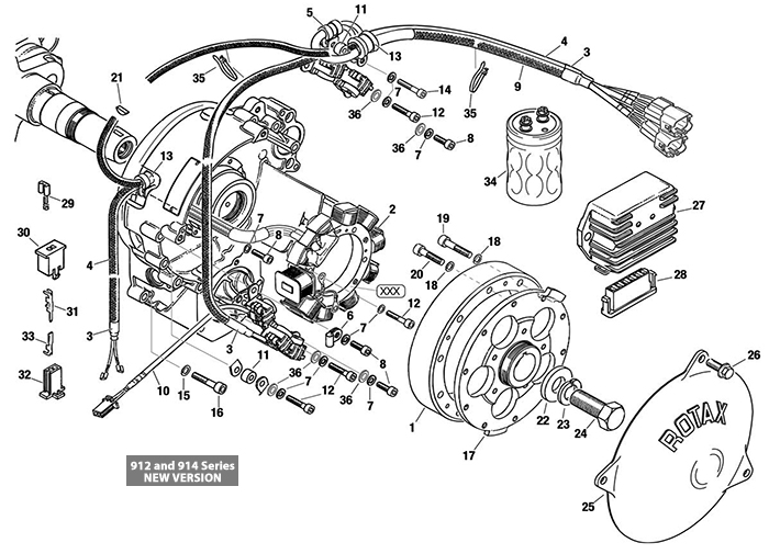
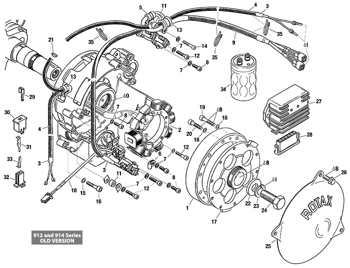
No.Rotax NumberDescriptionQty Req. 912 ULQty Req. 912 ULSQty Req. 914 ULPN
21246-571WOODRUFF KEY 4x511115-08726

Overview

- Items not illustrated
  • a With modified trigger, instead of 4° before top dead center --> -3° after top dead center
  • b SI-912-013 / SI-914-016 standardization of the ignition unit
  • c Trigger coil kit with elongated hole for adjustment and 6-pole connector incl. 7 pcs. part no. 827-800
  • d 4-pole connector and trigger coil without alignment incl. 7 pcs. part no. 827-800. / Replaced trigger coil kit part no. 965-177. / See Maintenance Manual Heavy of the respective engine type, current issue.
  • e Trigger coil for rev. counter to part no. 965-176 and part no. 965-179
  • f At all trigger coils with longhole


Explanations of symbols and statements in part number charts:
  • N = Newly introduced part number
  • s.v. = Still valid. Part was replaced by compatible component and can not be supplied any longer by the producer. Existing stock may be used.
  • AR = As required. This generally refers to shims, hose, wires, and cable. Measure the amount you need before ordering. Many times there will be multiple listings of different lengths with the same part number. Use individual part descriptions to determine the proper length needed.
  • n.a or NLA = No longer available, no replacement from Rotax. Part is no longer available due to incompatibility to current production or unavailability of part.
  • CALL = Please call for price, 800-247-9653

Notes

No.
Status
Part No.
Description
912 UL
912 ULS
914 UL
Price
16
xxxxxx see Chapt. 75-20-00
7
7
7
*

Engine Type

ENGINE
TYPE
SERIAL NUMBER FROM - UP TO
SET
RETROFIT KIT
PART NO.
PRICE
912 UL
3,792.501
3,792.555
D
888-716
$1564.00
4,005.300
4,152.111
E
888-718
3,792.556
4,005.299
C
888-714
$2041.00
4,152.112
4,403.282
B
888-712
912 ULS
4,425.001
4,425.029
A
888-671
914 UL
4,417.503
4,417.783
B
888-712

Reference Chart

Reviews

Not much to say about a wooddruff key--well machined.

Kent B Verified Purchase

ROTAX WOODRUFF KEY 4X5 246571

July 20, 2022

Q&A

Please note, Aircraft Spruce Canada's personnel are not certified aircraft mechanics and can only provide general support and ideas, which should not be relied upon or implemented in lieu of consulting an A&P or other qualified technician. Aircraft Spruce Canada assumes no responsibility or liability for any issue or problem which may arise from any repair, modification or other work done from this knowledge base. Any product eligibility information provided here is based on general application guides and we recommend always referring to your specific aircraft parts manual, the parts manufacturer or consulting with a qualified mechanic.

  • Did You Mean?
  • Categories