THE AVIATION SUPERSTORE FOR ALL YOUR AIRCRAFT & PILOT NEEDS | 877-795-2278

Concorde RG-380E/53Lsh Aircraft Heated Battery

$14145.00/Each
Quantity
Add to Wishlist
Part# 11-11653
MFR Model# RG-380E/53LSH

Overview

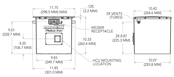
Fire Proof Stainless Steel Container, Vent Tubes & Heater Control Unit Mount.

Concorde’s superior Platinum Series® batteries have been proven reliable, durable and safe in turbine aircraft applications for more than two decades. Concorde’s valve regulated sealed recombinant gas (RG®) Turbine Starting aircraft batteries are constructed with advanced lead acid, absorbed glass mat (AGM) technology.

  • Aerobatic – Non-spillable at any altitude or attitude
  • Dual Purpose – Emergency or main starting
  • Emergency Power - Reliable essential power in the event of a generator failure
  • Factory Tested – Assures airworthiness & installation readiness
  • Low impedance design – Unique design features reduce internal resistance
  • Maintenance Free – No water replenishment is required – ever
  • Proprietary PolyGuard® Separators – Added protection against shock & vibration
  • Proven Technology – Dependable, durable and safe
  • Quick Disconnect – MS3509 conforming receptacle
  • Safe – No threat of thermal runaway & no deep cycling
  • Starting Power – Superior starting power in hot & cold climates
  • Transport – Ship Hazmat Exempt whether by land, sea or air
  • TSO Approved – FAA TSO-C173 approved
  • Worldwide – Available through a professional network of worldwide distributors
Concorde designs and manufactures over 90 models of Original Equipment and direct replacement batteries for fixed wing and rotary aircraft and has a reputation for designing application specific solutions. Concorde batteries are installed as Original Equipment by the majority of aircraft manufacturers and adopted by military aircraft operators worldwide.

Manufacturing certified aircraft batteries for over 30 years: Military, TSO, FAA-PMA, OEM

Specifications

  • Primary Aircraft Purpose: Turbine Starting Aircraft Battery
  • Voltage: 24v
  • Rated Capacity C1 = 1 hr. rate in ampere hours: 53.00
  • Max Weight: 96.00 lb / 43.6 kg

Reviews

Q&A

Please note, Aircraft Spruce Canada's personnel are not certified aircraft mechanics and can only provide general support and ideas, which should not be relied upon or implemented in lieu of consulting an A&P or other qualified technician. Aircraft Spruce Canada assumes no responsibility or liability for any issue or problem which may arise from any repair, modification or other work done from this knowledge base. Any product eligibility information provided here is based on general application guides and we recommend always referring to your specific aircraft parts manual, the parts manufacturer or consulting with a qualified mechanic.

View in Catalog

View Image View in Catalog
  • Did You Mean?
  • Categories